

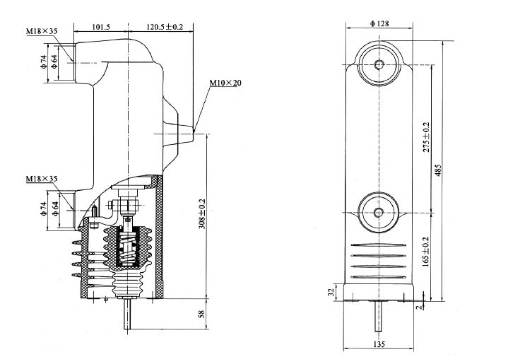
| Main Technical Parameter | ||
| Rated voltage | 12kV | |
| Rated current | 1250/1600A | |
| Rated frequency | 50Hz | |
| Rated short-time Power frequency withstand voltage | 48kV | |
| Rated lightning impulse withstand voltage | 85kV | |
| Rated short-circuit breaking current | 31.5kA | |
| Rated short-circuit making current(peak) | 80kA | |
| Breaking operations of rated short circuit breaking current | 30 times | |
| Rated breaking current of single capacitor bank | 630A | |
| Rated short-time withstand current | 31.5kA | |
| Rated peak withstand current | 80kA | |
| Rated duration of short-circuit | 4 s | |
| Mechanical endurance | 10000 times | |
| Closing force due to bellow and atmosphere | 140±50N | |
| Force required to hold contacts open at full storke | 230±50N | |
| Circuit resistance at lowest rated contact force | ≤25μ? | |
| Contacts limit erosion | 3mm | |
| MECHANICAL DATA REQUIRED FOR THE MATCHED VACUUM SWITCHGEAR | ||
| Clearance between open contacts | 11±1 mm | |
| Average opening speed | 1.2±0.2m/s | |
| Average closing speed | 0.6±0.2m/s | |
| Rated added extemal contact final force | 3100±200N | |
| Contact bouncing duration at closing operation | ≤2 ms | |
| Closing and opening non-simultaneity of three-phase contacts | ≤2 mm | |
Prev archive:Embedded Poles
Next archive:Embedded Poles